|
感應加熱和高頻電源應用
高頻感應加熱的工作原理
高頻感應加熱設備是高頻電源應用的一種,他的主要應用有:1、熱成型(熱鍛、透熱成型、熱軋、熱鐓);2、焊接(釬焊、熱配合、熱熔合);3、熱處理(淬火、退火、回火、調質);4、熔煉(金、銀、銅、鐵及不銹鋼等各種金屬)。高頻感應加熱設備的原理是靠內部IGBT的開關來控制其發出高周波的大電流流向被繞制成環形狀態或需要的形狀的加熱感應線圈。由高周波感應線圈內產生極性瞬間變化的強大磁束,將需要熱處理的金屬放置在高頻線圈內,磁束就會貫通整個被加熱的金屬物體。在感應加熱物體的內部與感應加熱電流相反的方向,產生相對應的強大渦電流。因為感應加熱的金屬內存在電阻,因此產生強的焦耳熱能,使感應加熱物體物體溫度迅速上升,從而達到熱處理的目的。
高頻感應加熱的工作原理圖

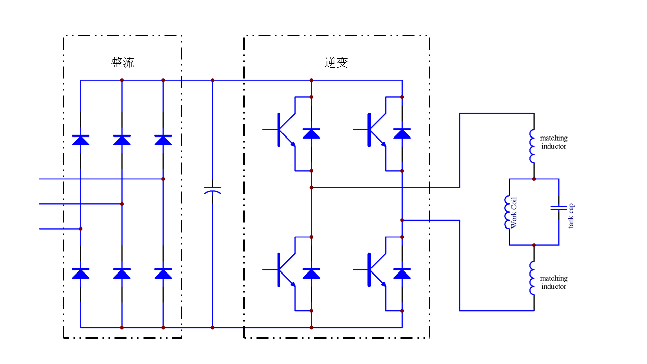
高頻感應加熱的拓撲圖
達新高頻感應加熱應用的對應產品
針對逆變部分的IGBT模塊和輸入整流的三相整流橋。
|