產品應用 |
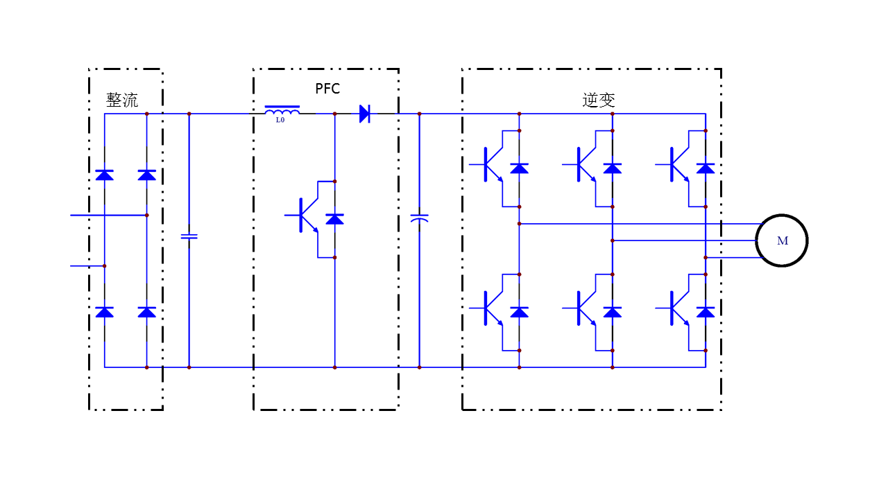
變頻家電應用行業需求變頻家電領域的負載主要為調速電機,除輸出功率大小的不同外,其主電路拓撲結構基本類似,因此下面主要以變頻空調為主進行介紹。 變頻空調主要由內機和外機兩部分組成,內機主要由中央處理器和風扇組成,負責空調的控制和室內的出風,外機主要是通過壓縮機和風扇,完成熱交換,從而達到制冷或者制熱的目的,外機的功耗占據了整個空調功耗的主要部分。變頻空調的原理與變頻器類似,對壓縮機的控制是依靠內部IGBT的開關來調整輸出電源的電壓和頻率,根據電機的實際需要來提供其所需要的電源電壓,進而達到節能、調速的目的。
空調制冷工作的原理圖:
變頻空調壓縮機驅動拓撲圖
|

